蝸輪Y型三通球閥產品概述
蝸輪Y型三通球閥由135度或120度Y型三通球閥和蝸輪驅動裝置組成,它通過人力轉動蝸輪上的手輪即可在閥桿上端施加一定的扭矩并傳遞給球體,從而改變介質流通的方向,實現對兩種不同流向的切換。該閥閥體三個管口的流體通道之間被設計成互成120°或一進一出兩通道間成135°夾角,球體與閥桿為一體結構,球體中有兩個成120°或135°角并通過球中心點的通孔,這二個通孔的端口(球體端口)與閥體上的管口對應,并隨著球體在120°或135°之間的轉動實現進口與任意出口導通或關閉。
蝸輪Y型三通球閥為一進兩出設計,其流體通道的三個開口設有閥座,閥座的通孔構成管口,閥座朝向球體的一端與球芯的外周面之間設有壓緊塊,壓緊塊朝向球體的側面具有與球芯外周面的弧面配合的抵接面,壓緊塊的另一側與閥座之間設有內密封結構。該閥具有結構簡單,密封可靠,耐磨性強,使用壽命長,流體流動阻力小,換向省力及動作可靠等特點,特別適合用于輸送含固體顆粒介質的系統。本產品采用Y形結構設計,減緩了流體沖進球腔內的流動速度,以防止顆粒狀物料受到損壞。
蝸輪Y型三通球閥部件材料
序號 | 部件名稱 | 材料名稱 | ||||
1 | 閥 體 | A216 WCB | A351 CF8 | A351 CF3 | A351 CF8M | A351 CF3M |
2 | 閥 蓋 | A216 WCB | A351 CF8 | A351 CF3 | A351 CF8M | A351 CF3M |
3 | 彎 頭 | A216 WCB | A351 CF8 | A351 CF3 | A351 CF8M | A351 CF3M |
4 | 閥 座 | RPTFE、PTFE、TEFLON、NYLON、PPL、PEEK、DEVLON、不銹鋼+硬質合金 | ||||
5 | 帶柄球體 | A351 CF8 | A351 CF8 | A351 CF3 | A351 CF8M | A351 CF3M |
6 | 閥座壓蓋 | A216 WCB | A351 CF8 | A351 CF3 | A351 CF8M | A351 CF3M |
7 | 填料壓板 | A216 WCB | A351 CF8 | A351 CF3 | A351 CF8M | A351 CF3M |
8 | 填 料 | 柔性石墨環、V形聚四氟乙烯、特氟隆、碳纖維編織 | ||||
9 | 螺 栓 | A193 B7 | A193 B8 | A193 B8 | A193 B8M | A193 B8M |
10 | 螺 母 | A194 2H | A194 8 | A194 8 | A194 8M | A194 8M |
11 | 蝸 輪 | 組合件 | 組合件 | 組合件 | 組合件 | 組合件 |
蝸輪Y型三通球閥性能規范
公稱壓力PN(MPa) | 1.6 | 2.5 | 4.0 | 2.0 | 5.0 |
殼體試驗壓力(MPa) | 2.4 | 3.75 | 6.0 | 3.0 | 7.5 |
高壓液密封試驗壓力(MPa) | 1.76 | 2.75 | 4.4 | 2.2 | 5.5 |
低壓氣密封試驗壓力(MPa) | 0.6 | 0.6 | 0.6 | 0.6 | 0.6 |
設計制造 | GB/T 12237、GB/T 21385、API 608、ASME B16.34 | ||||
結構長度 | 按本廠標準Q/CB的規定或訂貨合同要求 | ||||
連接法蘭 | JB/T 79、GB/T 9113、HG/T 20592、HG/T 20615、SH/T 3406、ASME B16.5 | ||||
檢驗試驗 | JB/T 9092、GB/T 26480、API 598 | ||||
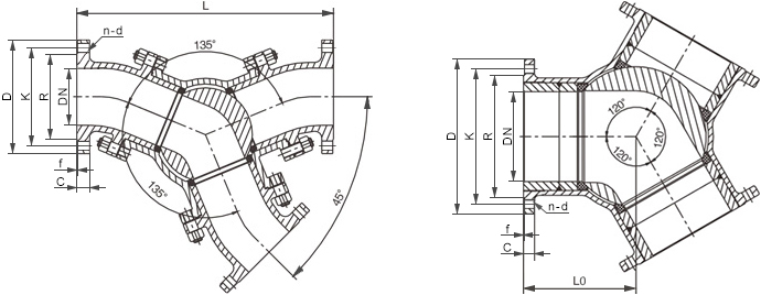
蝸輪Y型三通球閥外型尺寸
公稱壓力 PN(MPa) | 公稱尺寸 DN(mm) | 尺寸(mm) | |||||||
L | L0 | D | K | R | C | f | n-d | ||
1.6~4.0 (Class150)2.0 (Class300)5.0 | 50 | 340 | 110 | 160 | 125 | 100 | 16 | 3 | 4-?18 |
65 | 400 | 130 | 180 | 145 | 120 | 18 | 3 | 4-?18 | |
80 | 410 | 150 | 195 | 160 | 135 | 20 | 3 | 8-?18 | |
100 | 460 | 170 | 215 | 180 | 155 | 20 | 3 | 8-?18 | |
125 | 560 | 190 | 245 | 210 | 185 | 22 | 3 | 8-?18 | |
150 | 660 | 210 | 280 | 240 | 210 | 24 | 3 | 8-?23 | |
200 | 800 | 235 | 335 | 295 | 265 | 26 | 3 | 12-?23 | |
250 | 1030 | 290 | 405 | 355 | 320 | 30 | 3 | 12-?25 | |
300 | 1140 | 350 | 460 | 410 | 375 | 30 | 4 | 12-?25 | |
注:以上為JB/T 79-2015標準PN16系列2法蘭連接尺寸。如需其他尺寸,請來電咨詢! | |||||||||
蝸輪Y型三通球閥結構圖

如果你需訂購我廠三通球閥系列產品,咨詢時煩請注明產品型號,如無法提供型號數據,請說明公稱通徑、公稱壓力、法蘭標準、閥體材質、內件材質、使用介質及介質溫度等,本產品安裝前管道內一定要吹掃,防止管道內殘留有焊渣、切削渣等,以免損傷閥座。
網站首頁