45度Y型三通球閥產品概述
45度Y型三通球閥是一種閥體兩出管口之間被設計成45°或60°的夾角,球體內設有兩端開口成135°角的連接通道,進管口與出管口隨著球體的轉動實現與連接通道的導通或關閉,以達到對二種不同流向切換的閥門,其流道平坦,流體阻力小,流通能力強,切換時不會使介質滯留在流道內部,便于三通管道的清理。本產品主要用于Y型管路中改變介質流動方向,使其中的兩條相互連通或切斷,起換向的作用。
45度Y型三通球閥在閥體三個管口連接處設置有三個彎頭保護部,當介質從進口端沿彎頭管路通道高速流入時,其首先沖擊流進彎頭保護部內,相比于直接沖進管口內而言,減緩了流體直接沖擊在閥體內壁上的流動速度,降低了對顆粒狀物料造成的損壞,進而也對閥體內壁起到保護的作用,有助于延長閥門的使用壽命。本產品也可根據工況需要,將兩出口端之間的夾角設計成30°、60°、90°及其他角度等。
45度Y型三通球閥部件材料
序號 | 部件名稱 | 材料名稱 | ||||
1 | 閥 體 | A216 WCB | A351 CF8 | A351 CF3 | A351 CF8M | A351 CF3M |
2 | 閥 蓋 | A216 WCB | A351 CF8 | A351 CF3 | A351 CF8M | A351 CF3M |
3 | 閥 座 | RPTFE、PTFE、TEFLON、NYLON、PPL、PEEK、DEVLON、不銹鋼+硬質合金 | ||||
4 | 帶柄球體 | A351 CF8 | A351 CF8 | A351 CF3 | A351 CF8M | A351 CF3M |
5 | 連 接 體 | A216 WCB | A351 CF8 | A351 CF3 | A351 CF8M | A351 CF3M |
6 | 填料壓蓋 | A216 WCB | A351 CF8 | A351 CF3 | A351 CF8M | A351 CF3M |
7 | 填 料 | 柔性石墨環、V形聚四氟乙烯、特氟隆、碳纖維編織 | ||||
8 | 螺 柱 | A193 B7 | A193 B8 | A193 B8 | A193 B8M | A193 B8M |
9 | 螺 母 | A194 2H | A194 8 | A194 8 | A194 8M | A194 8M |
45度Y型三通球閥性能規范
公稱壓力PN(MPa) | 1.6 | 2.5 | 4.0 | 2.0 | 5.0 |
殼體試驗壓力(MPa) | 2.4 | 3.75 | 6.0 | 3.0 | 7.5 |
高壓液密封試驗壓力(MPa) | 1.76 | 2.75 | 4.4 | 2.2 | 5.5 |
低壓氣密封試驗壓力(MPa) | 0.6 | 0.6 | 0.6 | 0.6 | 0.6 |
設計制造 | GB/T 12237、GB/T 21385、API 608、ASME B16.34 | ||||
結構長度 | 按本廠標準Q/CB的規定或訂貨合同要求 | ||||
連接法蘭 | JB/T 79、GB/T 9113、HG/T 20592、HG/T 20615、SH/T 3406、ASME B16.5 | ||||
檢驗試驗 | JB/T 9092、GB/T 26480、API 598 | ||||
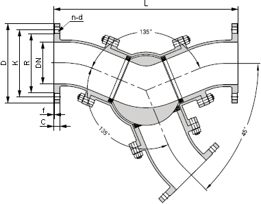
45度Y型三通球閥外型尺寸
公稱壓力 PN(MPa) | 公稱尺寸 DN(mm) | 尺寸(mm) | |||||
L | D | K | R | C-f | n-d | ||
1.6~4.0 (Class150)2.0 (Class300)5.0 | 50 | 340 | 165 | 125 | 102 | 18-2 | 4-?18 |
65 | 400 | 185 | 145 | 122 | 18-2 | 8-?18 | |
80 | 410 | 200 | 160 | 138 | 20-2 | 8-?18 | |
100 | 460 | 220 | 180 | 158 | 20-2 | 8-?18 | |
125 | 560 | 250 | 210 | 188 | 22-2 | 8-?18 | |
150 | 660 | 285 | 240 | 212 | 22-2 | 8-?22 | |
200 | 800 | 340 | 295 | 268 | 24-2 | 12-?22 | |
250 | 1030 | 405 | 355 | 320 | 26-2 | 12-?26 | |
300 | 1140 | 460 | 410 | 378 | 28-2 | 12-?26 | |
350 | 1257 | 520 | 470 | 428 | 30-2 | 16-?26 | |
以上為HG/T 20592-2009標準整體鋼制管法蘭連接尺寸。如需其他尺寸,請來電咨詢! | |||||||
45度Y型三通球閥結構圖

如果你需訂購我廠三通球閥系列產品,咨詢時煩請注明產品型號,如無法提供型號數據,請說明公稱直徑、壓力等級、閥體材質、法蘭標準及法蘭密封面形式等,本產品球體和閥座密封根據使用介質與溫度的不同,可分別采用軟密封、噴焊鎳基合金(硬度大于HRC60)、超音速噴涂鎢鈷合金(硬度大于HRC70)以及其他特種硬質材料等,以適用各種苛刻工作條件。
網站首頁