保溫籃式過濾器產品概述
保溫籃式過濾器是一種殼體外壁上焊接有流通蒸汽或熱油的金屬夾套,用于管線中濾除環境溫度下易凝固或易結晶液體介質中的固體雜質的夾套保溫籃式過濾器,其夾套與外殼之間的空間設計便于加熱流體的流動,能夠達到良好的保溫加熱效果,以避免工藝介質因溫度降低而造成粘度增加或流體出現凝固或結晶等現象。本產品主要應用在石油、石化、化工、冶金、輕工、制藥、食品等工業管路系統上,用以物料除雜。
保溫籃式過濾器采用在外殼上再焊接一層保溫夾套的雙層結構設計,并在它的不同側分別設置一個或兩個保溫加熱流體的入口和出口,通過它可以向中間空腔流通蒸汽或熱油,從而能對整個筒體進行均勻地流動加熱,使過濾易于進行,其夾套選用碳素鋼或不銹鋼板卷制,比鑄造的越發耐壓牢靠。本產品具有較好的保溫特性,又能有效地減少管路中介質熱量損失,所以特適合用以過濾在環境溫度下易凝固的高粘度介質。
保溫籃式過濾器部件材料
| 序號 | 部件名稱 | 材料名稱 | |||||
| 1 | 筒 體 | 20# | 15CrMo | 304 | 304L | 316 | 316L |
| 2 | 接 管 | 20# | 15CrMo | 304 | 304L | 316 | 316L |
| 3 | 法 蘭 | A105 | 15CrMo | 304 | 304L | 316 | 316L |
| 4 | 法 蘭 蓋 | Q235B | 15CrMo | 304 | 304L | 316 | 316L |
| 5 | 濾 籃 | 304 | 304 | 304 | 304L | 316 | 316L |
| 6 | 螺 栓 | 35CrMoA | 25Cr2MoVA | 304 | 304 | 316 | 316 |
| 7 | 螺 母 | 30CrMoA | 30CrMoA | 304 | 304 | 316 | 316 |
| 8 | 保溫夾套 | Q235B | 15CrMo | 304 | 304L | 316 | 316L |
| 9 | 排 放 口 | Q235B | 15CrMo | 304 | 304L | 316 | 316L |
| 10 | 放 空 口 | Q235B | 15CrMo | 304 | 304L | 316 | 316L |
保溫籃式過濾器技術規范
| 公稱壓力PN(MPa) | 1.0 | 1.6 | 2.5 | 4.0 | 2.0 | 5.0 |
| 殼體試驗壓力(MPa) | 1.5 | 2.4 | 3.75 | 6.0 | 3.0 | 7.5 |
| 氣密性試驗壓力(MPa) | 1.0 | 1.6 | 2.5 | 4.0 | 2.0 | 5.0 |
| 設計制造 | SH/T 3411-1999石油化工泵用過濾器選用、檢驗及驗收 | |||||
| 法蘭尺寸 | JB/T 81~82、GB/T 9115~9119、HG/T 20592、HG/T 20615、SH/T 3406、ASME B16.5等 | |||||
| 檢驗驗收 | SH/T 3411-1999石油化工泵用過濾器選用、檢驗及驗收 | |||||
| 過濾精度 | 10目 ~ 600目 | |||||
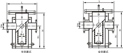
保溫籃式過濾器主要尺寸
| 公稱壓力 PN | 公稱直徑 DN | 結構尺寸/mm | 全夾套式 A×B(mm) | ||||
| L | H | H1 | D | Φd | |||
| 10 | 15 | 215 | 350 | 180 | 108 | 60 | 15×40 |
| 20 | 215 | 350 | 180 | 108 | 60 | 20×40 | |
| 25 | 215 | 350 | 180 | 108 | 60 | 25×50 | |
| 32 | 235 | 360 | 180 | 108 | 60 | 32×50 | |
| 40 | 300 | 430 | 210 | 159 | 60 | 40×80 | |
| 50 | 300 | 430 | 210 | 159 | 60 | 50×80 | |
| 65 | 450 | 490 | 250 | 159 | 100 | 65×100 | |
| 80 | 460 | 530 | 290 | 273 | 100 | 80×125 | |
| 100 | 500 | 600 | 345 | 325 | 140 | 100×150 | |
| 125 | 580 | 700 | 410 | 377 | 170 | 125×200 | |
| 150 | 600 | 780 | 470 | 377 | 200 | 150×200 | |
| 200 | 660 | 930 | 580 | 426 | 250 | 200×250 | |
| 表中全保溫夾套式的規格以A×B表示:A表示法蘭內徑的公稱尺寸,B表示法蘭其他尺寸的公稱尺寸。 | |||||||
保溫籃式過濾器結構圖

本產品有半夾套式和全夾套式兩種,全夾套式的規格以A×B表示:A表示法蘭內徑的公稱尺寸,B表示法蘭其他尺寸的公稱尺寸,如有其他技術要求,請在合同中詳細說明。如果你需訂購我廠籃式過濾器產品,咨詢時煩請提供結構型式,公稱通徑、公稱壓力、筒體和濾籃材質、過濾精度等。
網站首頁