電動Y型三通球閥產品介紹
電動Y型三通球閥由鑄鋼、不銹鋼、雙相鋼或其他材質Y型三通球閥和電動執行機構組成,其三通閥體中設有Y形流體通道以及放置有開啟或關閉流道的帶柄球體,而電裝則安裝在支架上,并與閥桿頂部固定連接,它接通電源后,將控制信號轉換成相應的動作,以驅動閥桿帶動球體在閥體內轉動120°或135°,以實現介質流向切換與自動控制的功能。本產品電動執行器可采用Z型多回轉系列或Q型部分回轉系列等。
電動Y型三通球閥球體兩通孔之間被設計成120°或135°的夾角,其主要通過帶柄球芯在120°或135°之間的旋轉來改變介質流動的方向,所以它除了入口A、出口B,還有換向口C,它的工作過程為閥門打開物料從A口進入閥內,經B口流出,當旁路需要物料流入時,接通電源,電裝驅動閥桿旋轉120°或135°,球體換向,物料從A進C出,當旁路不需要介質流入時,電動執行機構再轉回120°或135°,介質流向改變。
電動Y型三通球閥部件材料
| 序號 | 部件名稱 | 材料名稱 | ||||
| 1 | 閥 體 | A216 WCB | A351 CF8 | A351 CF3 | A351 CF8M | A351 CF3M |
| 2 | 閥 蓋 | A216 WCB | A351 CF8 | A351 CF3 | A351 CF8M | A351 CF3M |
| 3 | 閥 座 | R-PTFE、PTFE、TEFLON、NYLON、PPL、PEEK、DEVLON、SS+HF | ||||
| 4 | 帶柄球體 | A351 CF8 | A351 CF8 | A351 CF3 | A351 CF8M | A351 CF3M |
| 5 | 彎 頭 | A216 WCB | A351 CF8 | A351 CF3 | A351 CF8M | A351 CF3M |
| 6 | 填 料 | GRAPHITE、R-PTFE、PTFE、TEFLON、PCTFE | ||||
| 7 | 螺 栓 | A193 B7 | A193 B8 | A193 B8 | A193 B8M | A193 B8M |
| 8 | 螺 母 | A194 2H | A194 8 | A194 8 | A194 8M | A194 8M |
電動Y型三通球閥性能規范
| 公稱壓力PN(MPa) | 1.6 | 2.5 | 4.0 | 2.0 | 5.0 |
| 殼體強度試驗壓力(MPa) | 2.4 | 3.75 | 6.0 | 3.0 | 7.5 |
| 高壓液密封試驗壓力(MPa) | 1.76 | 2.75 | 4.4 | 2.2 | 5.5 |
| 低壓氣密封試驗壓力(MPa) | 0.6 | 0.6 | 0.6 | 0.6 | 0.6 |
| 設計制造 | GB/T 12237、GB/T 21385、API 608、ASME B16.34 | ||||
| 結構長度 | 按本廠標準Q/CB的規定或訂貨合同要求 | ||||
| 連接法蘭 | JB/T 79、GB/T 9113、HG/T 20592、HG/T 20615、SH/T 3406、ASME B16.5 | ||||
| 檢驗試驗 | GB/T 26480、JB/T 9092、API 598 | ||||
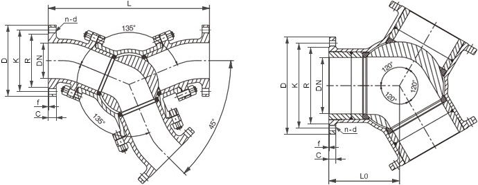
電動Y型三通球閥主要尺寸
| 公稱壓力 PN | 公稱通徑 DN | 外形及連接尺寸/mm | ||||||
| L | L0 | D | K | R | C-f | n-d | ||
| 16 ~ 25 20 (Class150) | 50 | 340 | 110 | 160 | 125 | 100 | 16-3 | 4-?18 |
| 65 | 400 | 130 | 180 | 145 | 120 | 18-3 | 4-?18 | |
| 80 | 410 | 150 | 195 | 160 | 135 | 20-3 | 8-?18 | |
| 100 | 460 | 170 | 215 | 180 | 155 | 20-3 | 8-?18 | |
| 125 | 560 | 190 | 245 | 210 | 185 | 22-3 | 8-?18 | |
| 150 | 660 | 210 | 280 | 240 | 210 | 24-3 | 8-?23 | |
| 200 | 800 | 235 | 335 | 295 | 265 | 26-3 | 12-?23 | |
| 250 | 1030 | 290 | 405 | 355 | 320 | 30-3 | 12-?25 | |
| 300 | 1140 | 350 | 460 | 410 | 375 | 30-4 | 12-?25 | |
| 表中為部分JB/T 79-2015標準PN16法蘭連接尺寸。如需其他規格尺寸,請咨詢汗越閥門技術部! | ||||||||
電動Y型三通球閥結構圖

如果你需訂購我廠三通球閥產品,咨詢時煩請提供結構型式(120°或135°)、公稱尺寸、公稱壓力、閥體和內件材料、使用介質、工作溫度、法蘭標準及密封面形式等,本產品可根據不同的工況環境采用軟密封和金屬硬密封結構。
網站首頁